上海 虹口 水磨 论坛,广东夜猫子上课论坛网站,X77论坛的欧洲登录方式

(股票代码300430)
多功能车间设计之反应釜温度控制
阅读:14046次 更新时间:2023-08-11

摘要:精准的反应釜温度控制是化学合成原料药高质量、高收率生产的重要保障。本文对温控要求在-15~150℃的间歇反应釜控温方式进行详细介绍,包括混合媒介控温和单一媒介控温,阐述了温控过程及控制原理;提出未来原料药多功能车间温度控制系统的发展方向,希望为智能温控系统的进一步研究提供参考。

关键词:温度控制;夹套温控;冷热交换;串级控制;模糊控制;智能温控系统;单一/混合媒介

一、前言

反应釜是化学合成原料药行业主要的反应设备,反应釜的容积一般为0.5m3~8m3,其生产模式多为间歇式生产。在药品合成过程中会涉及到多种有机反应,这些反应可以分为吸热反应和放热反应,放热反应又可以分为瞬间放热反应、快放热反应和慢放热反应,维持反应过程温度平稳是保证反应安全、产品高质量、高收率的重要前提。

间歇反应釜的温控过程,主要分为以下几个阶段:

1、反应前期:升温或降温至所需反应温度;

2、反应过程:一般为恒温反应,将反应温度恒定在某一设定值,对于多功能间歇反应釜来说每次所进行的反应各不相同,因此需要移除热量或供热量都存在不确定性,为满足反应需求,需要充分考虑此过程的控温要求,如果控温不稳就容易导致产品的收率和质量下降,更有甚者可能导致局部超温,发生“飞温”现象,造成安全事故,所以此阶段控温是否平稳对反应安全以及产品的质量至关重要;

3、反应结束:一般也需要降温或升温至规定的温度,生产过程中对间歇反应釜从开始加热到最后的冷却都有严格的时间规定,一般要求按照某一升/降温速率对反应体系进行升/降温操作,这对间歇反应釜传热的计算以及对控温方式的选择有很高的要求。

二、反应釜的温控方式

反应釜温控方式的选择对于整个原料药生产过程来说至关重要,反应釜一般通过夹套、半管、内盘管,或几种组合起来移除反应热或为反应供热,不同设备控制策略不尽相同,对于超低温反应釜(使用液氮的工况)和超高温反应釜(150℃以上)温控策略也不太一样,本文仅针对一般温控范围(-15~150℃)不带内盘管的夹套温控方式进行讨论。

夹套温控方案的选择按照控温过程中使用的冷/热媒介的种类来分可分为混合媒介和单一媒介。

1、混合媒介控温

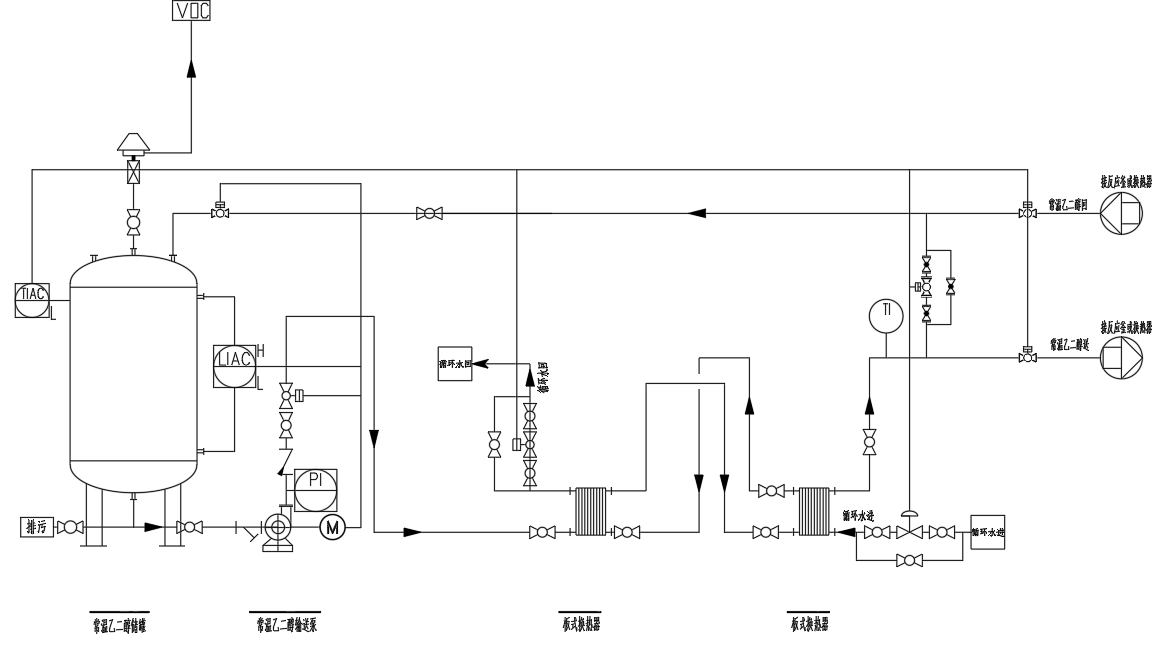
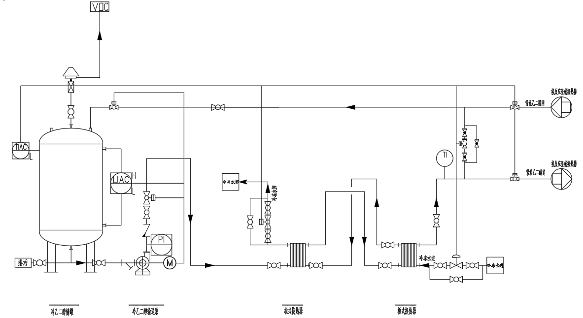
工业上常用蒸汽-循环水-冷冻水;其中冷冻水通常为冰盐水或冷乙二醇?;究刂品绞饺缤?/span>1所示。加热时使用蒸汽加热,在加热开始之前需将夹套内的媒介用压缩气体(压缩空气或氮气)吹净。降温过程中需要考虑大温差对反应釜的影响,尤其是针对搪玻璃反应釜,如反应釜内外温差较大,容易引起爆瓷,因此降温时不可直接通冷冻水,一般要先通循环水将温度降至室温,再使用压缩气体将夹套内循环水压净,然后通冷冻水进行降温,降温结束后还要将冷冻水压净。由此可见,该方式在温度控制过程中涉及蒸汽-循环水、循环水-冷冻水等之间的频繁切换,在切换过程中极易出现媒介回水管互串和回水管路阀门忘关的情况,导致循环水和冷冻水互串,浪费能源。同时如冷冻水为冰盐水,由于残留的盐水中存在大量氯离子,对夹套有一定腐蚀性,再使用蒸汽进行加热更加剧了夹套的腐蚀,不利于设备的长期使用;如冷冻水为冷乙二醇,因夹套中同时使用蒸汽和循环水,长期运行后冷乙二醇的浓度会降低,需要定期补充乙二醇以维持冷媒浓度,增加运行成本。此种控制方式的前期一次性投入成本低,但运行成本偏高,且温控精度不高,操作复杂,在工业应用中已经慢慢被淘汰。

1 混合媒介控温

2、单一媒介控温

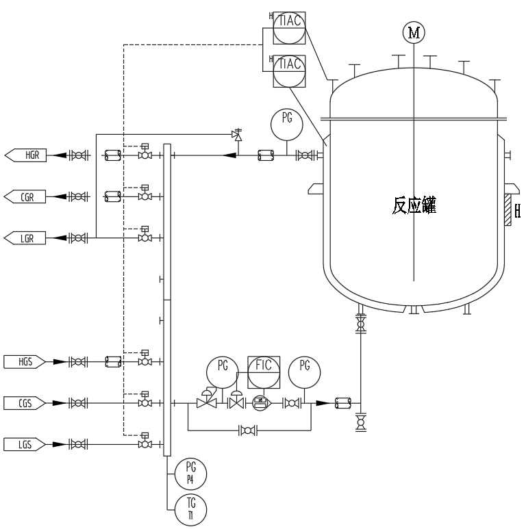
单一媒介控温是指夹套中只通过一种媒介进行温度控制。通常使用的媒介有乙二醇水溶液、导热油等,有混合式系统和封闭式系统?;旌鲜较低呈侵讣刑淄迸渲美?、热、常温媒介,根据温控要求在夹套内或通过泵混合来进行控温(图2、图3)。封闭式系统是指为夹套配置循环泵和换热器自成循环体系,通过换热器与外界进行冷热交换(图7)。

1)混合式系统

一般使用的媒介为乙二醇、丙二醇、改性乙二醇或改性丙二醇的水溶液,根据温控需求配置不同的浓度。分为无动力混合系统(图2)和有动力混合系统(图3)。此系统需要配备相应的公用工程系统(图4、图5、图6)。

① 无动力混合系统

如图2所示,由公用工程系统提供不同温度的媒介,在夹套总管进口方向设置一调节阀用于调节媒介流量,夹套出口方向设置一温度变送器与反应釜温度形成串级控制。对于温控精度要求较高的工况可在总管设置流量计用于精准控温。由于不同温度的媒介组分相同,当进行媒介切换时不必使用压缩气体进行压空操作,也避免了媒介互串带来的风险。此系统同时只能通一种温度的媒介,当夹套有区间温度控制要求时,只能通过间歇性交替开关某两种温度的媒介在夹套内进行混合来实现温度控制,会造成反应釜夹套受热不均,不适用于有区间温控要求的高精度温控。对于一些温度控制精度要求不高,或没有区间温控要求的高精度温控建议采用此方案。

2 单一媒介控温无动力混合系统

② 有动力混合系统

如图3所示,与无动力混合系统相似,需要由公用工程系统供给不同温度的媒介,不同的是在夹套设置了循环泵以及循环管路,并分别在夹套进口、出口以及反应釜内设置温度变送器,采用串级控制+模糊控制实现精准控温。循环泵起到了快速混合以及增强传热的功能,可以将夹套温度控制在最低媒介温度~最高媒介温度中的任何一个温度值,且保证温度均一。此系统主要有两种温控模式,以夹套进口或出口温度为主控对象的温控模式和以反应釜温度为主控对象的温控模式,可以根据工艺实际需求灵活选择。对于有较高温控要求的工况建议采用此系统。

3 单一媒介控温有动力混合系统

公用工程系统:与混合式系统相配合,一般需要配备热媒介系统(图4)、常温媒介系统(图5)和冷冻媒介系统(图6)。公用工程系统可以采用盘管式换热或换热器换热,可根据工艺需求灵活选择。

4 公用工程-热媒介系统

5 公用工程-常温媒介系统

6 公用工程-冷冻媒介系统

混合式系统有很好的系统集成性,可将反应釜的各项参数进行模块化控制,集成在同一套DCS系统中以节省系统投资;有很好的系统兼容性,可以根据工艺实际情况个性化的增加安全仪表,接入安全仪表系统(SIS),可以与Batch管理系统相结合灵活切换生产产品,适应医药行业小批量多产品的生产特点,更方便的筛选黄金批次,提高产品质量;有很好的设备集成性,每一个反应釜的温控以及公用工程系统均可做成一个???,在工厂外进行组装在使用现场进行对接,节省了工期;有很好的针对性,可以根据工艺情况,特别是针对一些快反应将反应过程特性、设备特性以及自控原理相结合,定制化的设计、开发、集成。

(2)封闭式系统

如图7所示,反应釜夹套配备2台换热器,1台膨胀罐,1台循环泵,构成一套封闭系统。换热器反应釜侧一般填充导热油。一台换热器用于加热,可采用蒸汽、热油等;另一台换热器用于冷却,可采用冰盐水、冷冻乙二醇等。夹套的温控范围为冷却换热器的极限冷却温度~加热换热器的极限加热温度,此系统可实现夹套的精准控温,是市场上TCU/ECU常见的温控方式,可做成一对一也可做成一对多的形式。这种系统从目前使用情况来看,其系统集成性比较差,每一台TCU均需要配备独立的PLC系统不便于系统集成管理;虽然可以做成一对多的模式,但是其出口温度只有一个,各反应釜温度要求在一定范围内,一定程度上受TCU调控能力限制,反应釜温控精度受TCU与反应釜的相对摆放位置影响较大;针对于快放热反应以及涉及到有SIS要求的工艺情况,其灵活性较差;其体积较大一次性投入成本也相对比较高。

7 单一媒介控温封闭式系统

三、原料药多功能车间温度控制系统展望

1、针对慢放热反应单一TCU系统虽然具有较高的温控精度但其体积较大、成本较高;混合式控制系统兼具灵活性高、温控精度高、成本低、集成性好的特点,逐渐成为主流。

2、开发智能温控系统:现有的温控系统,只是停留在操作人员输入温控要求然后控制系统根据输入的需求进行温度控制,针对一些慢反应,此种模式还可以应付,但对于一些快反应不能达到很好的效果,究其原因在于控制过程只是在控制原理的维度对其进行简单控制,最多加入一些复杂控制策略如串级控制、分程控制等,没有将控制、工艺、设备有机的集合在一起。

3、未来的智能温控系统还应包含以下模块

① 设备专家系统:包含如不同搅拌的传热传质特性、反应釜器壁的传热特性、反应釜特性数据库等;

② 工艺反应放热专家系统:包含如不同反应类型的放热曲线数据库、不同产品的反应放热曲线数据库、不同溶媒传热数据库等;

③ 自控策略选择专家系统:包含针对间歇反应各种控制策略的选择指南、系统辨识系统等。

以上三个系统+硬件共同组成智能温控系统,达到只需操作人员选择反应类型、反应介质等,系统就会根据输入的反应情况以及当前设备情况选择合适的控制策略,并实时进行系统辨识,调整控制策略,达到温控系统的自识别、自适应,实现精准控温的目的。

四、结束语

在智能化多功能车间设计中反应釜的温度控制要达到真正的智能温控还有很长的路要走,但只要我们不断探索终有一天我们会成功。希望我们共同努力让温度控制更精准、让温度控制更智能、让温度控制更先进。

【首页】  【返回】
上一篇:“产学研用”深度融合 | 祝贺中国农业大学“教授工作站” 在北京诚益通落地建成
下一篇:近红外光谱技术在氨基酸发酵过程中的应用
回到顶部
主站蜘蛛池模板: 三台县| 青铜峡市| 获嘉县| 襄樊市| 延长县| 阿鲁科尔沁旗| 兰溪市| 贡觉县| 德格县| 和田县| 汉川市| 安国市| 天水市| 班戈县| 武宣县| 叙永县| 广南县| 岑溪市| 浏阳市| 禄丰县| 永善县| 外汇| 南宁市| 伊宁县| 桃源县| 东丽区| 靖江市| 健康| 镇平县| 高淳县| 巴南区| 财经| 简阳市| 定边县| 安徽省| 分宜县| 时尚| 商都县| 浦县| 招远市| 孝义市|